一:貼片磁環電感GTCSM 0906C 產品特征
1、尺寸小巧:支持方形 / 圓柱等多封裝,底部金屬焊盤適配 SMT 貼片工藝,完美契合高密度 PCB 板設計需求。
2、無引腳設計:屬于 SMD 器件,通過底部焊盤直連電路板,減少引腳寄生電感與電容,大幅提升高頻工作性能。
3、磁環線圈組合:以高磁導率鐵氧體磁環為核心,外部繞制銅線線圈,高效實現電能與磁能的相互轉換。
二:貼片磁環電感GTCSM 0906C 產品應用
1、消費電子:小體積 + 高頻特性 + 低成本,優先用于充電與射頻電路
2、汽車 / 工業:車規 / 工業級認證 + 耐高溫 + 高可靠性,側重電源與控制模塊
3、通信設備:高精度 + 低損耗 + 抗干擾,適配 5G 高頻信號處理
三:貼片磁環電感命名方式
GTCSM0903C-120D
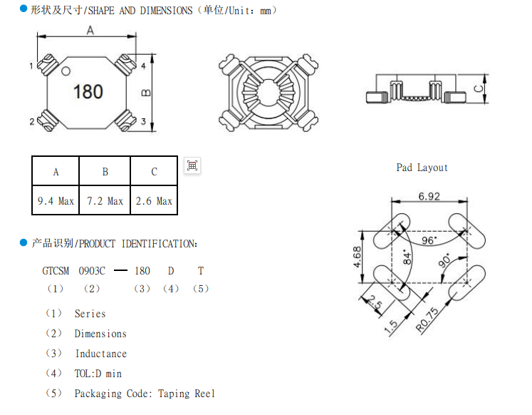
四:貼片磁環電感封裝尺寸規格
下面這些相關的產品,一樣很精彩喲!
產品繁多,總有一款適合你,更可來圖來樣定制生產!一、核心產品特點 1. 全磁屏蔽,低EMI適配高密度布局 磁性粉末一體成型,繞組全包裹形成閉合磁路,高效抑制EMI與...
一:貼片磁環電感GTCSM1609C SERIES產品特征1、尺寸小巧:底部金屬焊盤適配 SMT 貼片工藝,完美契合高密度 PC...
一:貼片磁環電感 GTCSM1207C SERIES 產品特征1、微型化設計:底部采用金屬焊盤結構,完美適配 SMT 貼片工藝,可高效滿足高密度 PCB...
一:貼片磁環電感GTCSM 0805T 產品特征1、尺寸小巧:底部金屬焊盤適配 SMT 貼片工藝,完美契合高密度 PCB 板設計需求。2、無引腳設計:屬于 SM...
一:貼片磁環電感封裝尺寸規格二、詳細規格書下載如下:
一:貼片磁環電感 GTCSM0503S 產品特征1、尺寸小巧:支持方形 / 圓柱等多封裝,底部金屬焊盤適配 SMT 貼片工藝,完美契合...
一:扁平線圈電感GAFF-Y 產品特征1.符合環保要求2.扁平線繞線結構,超低內阻3.超大電流承載能力,優異的熱穩定性4.精準阻抗有效抑制電磁...
一:扁平線圈電感GAFF-Y 產品特征1.符合環保要求2.扁平線繞線結構,超低內阻3.超大電流承載能力,優異的熱穩定性4.精準阻抗有效抑制電磁...
蘇州谷景電子有限公司,一家從事貼片電感,貼片電感報價,貼片電感生產廠家,貼片電感生產商,貼片電感封裝,色環電感,工字電感,磁環電感,線圈電感,貼片...
蘇州谷景電子有限公司,一家從事貼片電感,貼片電感報價,貼片電感生產廠家,貼片電感生產商,貼片電感封裝,色環電感,工字電感,磁環電感,線圈電感,貼片...
蘇州谷景電子有限公司,一家從事貼片電感,貼片電感報價,貼片電感生產廠家,貼片電感生產商,貼片電感封裝,色環電感,工字電感,磁環電感,線圈電感,貼片...
蘇州谷景電子有限公司,一家從事貼片電感,貼片電感報價,貼片電感生產廠家,貼片電感生產商,貼片電感封裝,色環電感,工字電感,磁環電感,線圈電感,貼片...
蘇州谷景電子有限公司,一家從事貼片電感,貼片電感報價,貼片電感生產廠家,貼片電感生產商,貼片電感封裝,色環電感,工字電感,磁環電感,線圈電感,貼片...
蘇州谷景電子有限公司,一家從事貼片電感,貼片電感報價,貼片電感生產廠家,貼片電感生產商,貼片電感封裝,色環電感,工字電感,磁環電感,線圈電感,貼片...
蘇州谷景電子有限公司,一家從事貼片電感,貼片電感報價,貼片電感生產廠家,貼片電感生產商,貼片電感封裝,色環電感,工字電感,磁環電感,線圈電感,貼片...
蘇州電感產品的6大優勢
精選原料,源頭把控品質!專業電感研發團隊
定制電感感量、Q值、電流、尺寸、外形等參數
16年品牌電感生產歷史
電感產品質量有保障
替代品牌進口電感
目前已有百余家客戶使用谷景電感替代進口電感
專業FAE團隊
多位資深工程師助您度過電感安規難題
電感產品通過全球SGS鑒定
經過RoHs認證,UL認證,符合GB標準
完善的售后服務
24小時極速處理客戶難題,72小時退換無憂
16年專業電感生產、電感定制、電感研發,有著專業的研發生產能力
谷景電子是國內優秀電感生產廠家之一,行業內所認可的知名品牌
上百臺全自動繞線機、測包機、焊錫機,實現短時間大批量生產電感
公司目前與夏普電器,松下電器,宜家家居,富士電機,南京航空航天大學等有著戰略伙伴關系
擁有專業的FAE團隊,數十年安規經驗工程師,幫助客戶解決電路安規難題
十年為品牌臺企、日企生產代工,電感品質性能有保障
常規電感產品性能定制,非常規電感產品材料尺寸定制
擁有專業的電感研發團隊與國內外多家磁性研究所元器件廠家合作生產
公司通過IS0質量管理體系認證,國內先進生產工藝,產品批次穩定性高
采用益利素勒進口線材,確保電感產品在擁有更好的耐高溫屬性
采用臺產、日產進口磁芯和骨架,確保電感產品擁有更好的導電性以及耐電流性
每一個電感經過嚴格的篩選,確保客戶使用的電感產品全部合格













以質量求生存,以信譽求發展,滿足合同規定及潛在需求!

全國咨詢熱線
0512-66715887